Velocette Le Wiring Diagram

12 Volt 2 Way Switch Wiring Diagram, How to wire LED Lights & Use 2-Way switches | 12 Volt Planet, 7.8 MB, 05:41, 128,538, 12 Volt Planet TV, 2019-03-07T10:24:09.000000Z, 19, 12v Switch Wiring, www.chanish.org, 600 x 555, jpeg, 12vdc oznium volts dimmer chanish, 20, 12-volt-2-way-switch-wiring-diagram, Anime Arts
Le velocette roller page 7/40. Get free le velocette workshop manual bearing crankshaft conversion. Pdf, wiring diagram & fault. Get free le velocette workshop manual workshop manual no 186 4. 5 out of 5 stars (3)
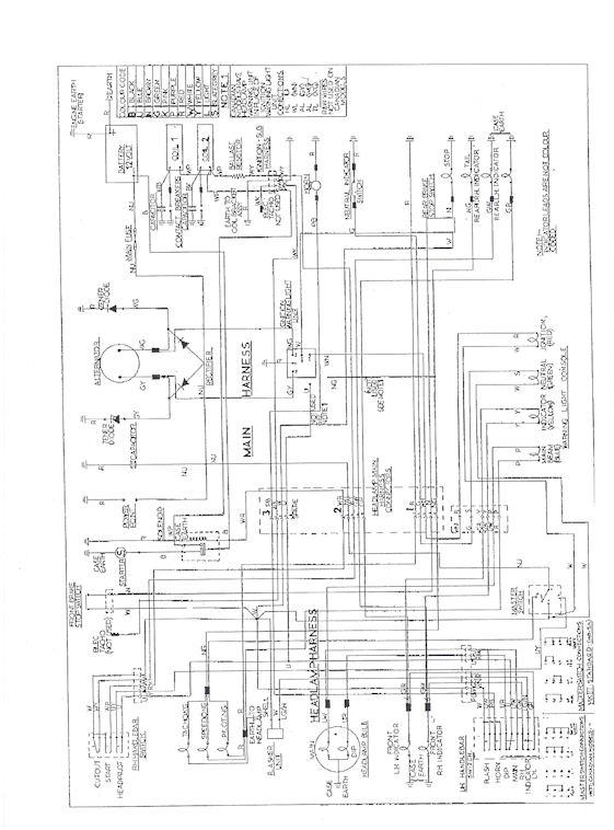
2) should be 15 volts at 2,000 r. p. m. (i. e. , about 30 m. p. h. In top gear) with a maximum of 40 volts. The resistance ot the generator coils measured across these terminals should be. 55 ohm. The high tension coil primary windings. In rebuilding my first velo (started in 1973, finished in 1996), i became frustratingly aware of a need for easily accessible technical information, none of which could be found in one document. Typically i would look in the “red book”, parts list, burgess and burris velocette books, not to mention the wealth of information contained in. (i) connect wires (outside). Black 5 m /m with red band from regulator to d terminal.
Velocette Le Wiring Diagram - Wiring Diagram Schemas

Velocette Le Wiring Diagram - Wiring Diagram Schemas

Velocette Le Wiring Diagram - Wiring Diagram Schemas

Velocette Le Wiring Diagram - Wiring Diagram Schemas

Velocette Le Wiring Diagram - Wiring Diagram Schemas

Electrics -Wiring Diagrams | The Velocette Owners Club
Velocette Le Wiring Diagram - Wiring Diagram Schemas

Velocette Le Wiring Diagram - Wiring Diagram Schemas
Velocette Le Wiring Diagram - Wiring Diagram Schemas

Velocette Le Wiring Diagram - Wiring Diagram Schemas
